…
Vào cuối thập niên 1990, công ty ABB (Thuỵ Điển – Thuỵ Sĩ) đưa ra thị trường những bộ chuyển đổi nhỏ gọn hơn và nhiều chức năng hơn được xây dựng từ các transistor IGBT (insulated-gate bipolar transistor) có tần số cao làm từ silicon. Những “bộ chuyển đổi nguồn áp” (voltage source converter – VSC) này tự điều khiển điện áp của mình nên chúng có thể ổn định lưới điện xoay chiều xung quanh chúng. Trên một đường dây HVDC sử dụng các bộ chuyển đổi mới này, hàng trăm transistor IGBT mắc nối tiếp nhau sẽ kích hoạt một cách đồng bộ để lấy điện từ đường dây AC và chỉnh lưu thành dòng điện ổn định cho đường dây DC. Bộ chuyển đổi ở đầu bên kia của đường dây thực hiện một quy trình tương tự để chuyển dòng điện trở lại thành xoay chiều.Trong quá trình đó, các bộ chuyển đổi dùng IGBT có thể giám sát và bù đắp cho các biến đổi lên xuống trên các đường dây xoay chiều. Điều đó khiến cho chúng trở nên phổ biến trong các ứng dụng như kết nối các tổ hợp điện gió ngoài khơi bởi vì việc thay đổi công suất liên tục yêu cầu phải có cơ chế ổn định điện áp ở điểm kết nối với mạng xoay chiều. Những tính năng này khơi lên hy vọng rằng HVDC có thể thoát ra khỏi cái vỏ chật hẹp của mình và cạnh tranh với lưới điện xoay chiều để được sử dụng ngay tại trung tâm của các lưới điện. Nhưng các bộ chuyển đổi IGBT vẫn còn có 3 trở ngại phải vượt qua trước khi chúng có thể cạnh tranh được với công nghệ AC. Trở ngại đầu tiên là công suất cực đại bị giới hạn ở mức vài trăm megawatt. Một trở ngại khác là mức suy hao vào khoảng 1.5 đến 2% tổng công suất truyền trên mỗi bộ chuyển đổi, điều làm cho chúng trở nên tốn kém trong sử dụng. Với một đường dây mang công suất tạo ra từ hàng ngàn tuốc-bin gió ngoài khơi, những bộ chuyển đổi như vậy sẽ làm lãng phí công suất của 15 đến 20 cỗ máy trị giá nhiều triệu đô-la đó.

Các thiết bị HVDC hiện tại dùng IGBT như hệ thống HVDC Light của ABB trong hình không thể tự ngắt dòng DC. Hình: Halvor Molland.
Năm 2010, Siemens đưa ra thị trường một bộ chuyển đổi HVDC mới để giải quyết hai vấn đề trên. Những thiết bị có tên gọi bộ chuyển đổi nhiều mức dạng mô-đun này kết nối hàng trăm bộ chuyển đổi nhỏ, hay “mô-đun con”, để đẩy dung lượng chuyển đổi tổng cộng từ khoảng một vài trăm megawatt lên 1000 megawatt hay nhiều hơn nữa—dung lượng mà các công ty truyền tải điện đang cần. Mỗi mô-đun con sẽ chỉ được kích hoạt khi cần thêm công suất để chuyển đổi qua lại với một dòng năng lượng AC không ổn định, cách hoạt động này làm giảm suy hao chuyển mạch xuống chỉ còn 1% trên mỗi bộ chuyển đổi.
Việc nâng cao công suất và hiệu suất đã giúp cho công nghệ này trở nên đặc biệt hấp dẫn đối với các công ty truyền tải điện của Đức, họ đã đưa các bộ chuyển đổi nhiều mức dạng mô-đun lên thành lựa chọn đầu tiên của mình. Nhưng để đạt tới khả năng hoạt động và độ ổ định cần thiết cho Hành Lang A, họ nói rằng họ cần phải khắc phục được nhược điểm cơ bản của công nghệ VSC: không có khả năng cắt dòng điện một chiều.
Để khỏi phải dự tính các sơ đồ đường dây phức tạp và giảm thiểu việc bị phản đối, các công ty truyền tải điện đã chọn cách xây dựng đường dây HVDC dọc theo các đường dây AC và sử dụng chung các trụ điện, yêu cầu đầu tiên cho các đường dây sử dụng VSC. Một đường dây DC dài và lộ thiên sẽ là một mục tiêu lớn cho sét đánh, cây cối ngã, và các sự cố gây gián đoạn khác. Do vai trò quan trọng mà Hành Lang A và ba đường dây DC đã được đề xuất khác sẽ nắm giữ trong lưới điện vốn đã bị quá tải, các công ty truyền tải điện đang tìm kiếm một bộ chuyển đổi HVDC có khả năng chịu đựng và phục hồi tốt khi có sự cố.
Điều đang cần là những thiết bị HVDC hiện đại có khả năng cắt dòng điện HVDC để một đường dây có thể được nhanh chóng khởi động lại. Đây không phải là vấn đề trong các đường dây xoay chiều—ngay cả với các đường dây siêu cao áp—bởi vì điện áp trên đường dây trở về bằng 0 mỗi khi dòng điện đảo chiều: 100 lần mỗi giây đối với mạng điện 50Hz của Châu u. Mỗi điểm không như vậy là một thời điểm ta có thể ngắt mạch mà không tạo ra hồ quang điện nguy hiểm. Dòng điện một chiều, trái lại, lại chảy liên tục. Dừng nó lại một cách nhanh chóng ở điện áp cao thì cũng giống như là đóng sập một cánh cổng ngay trước một chiếc xe tải đang chạy ở tốc độ cao. “Trong DC, bạn luôn ở trạng thái nạp đầy năng lượng. Nếu bạn cố gắng ngắt một đường dây DC bằng một máy cắt cơ khí … nó sẽ đốt cháy bộ phận chuyển mạch,” theo Claes Rytoft, giám đốc kỹ thuật của bộ phận hệ thống điện của ABB.
Các bộ chuyển đổi HVDC nhiều mức dạng mô-đun ngày nay không giúp gì được bởi do một chi tiết trong thiết kế lại vô tình tiếp sức cho các sự cố bên phía DC. Các bộ chuyển đổi này được xây dựng từ các mô-đun con có chứa một cặp IGBT, một cặp đi-ốt, và một tụ điện DC. Các đi-ốt chính là các thành phần gây ra vấn đề khi có sự cố DC. Trong điều kiện hoạt động bình thường, chúng liên tục thay đổi cấu hình của mạch điện trong mô-đun con để tiếp nhận các điện áp dương và âm luân phiên nhau đến từ lưới điện AC. Tuy nhiên, khi có sự cố bên đường dây DC, dòng điện sẽ phóng qua các đi-ốt và nối các cực dương và âm của các mô-đun con và gây ra ngắn mạch cục bộ.

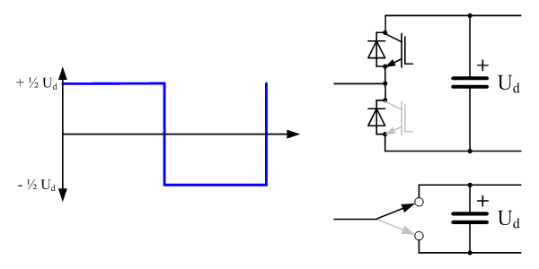
Nguyên tắc hoạt động của bộ chuyển đổi 2 mức. Điện áp DC được đưa vào (hoặc lấy ra) trên hai cực của tụ điện. Điện áp AC được lấy ra (hoặc đưa vào) tại điểm kết nối hai đi-ốt. Nguồn: Wikipedia. Hình do người dịch thêm vào để minh hoạ thêm.
Các đường dây HVDC sử dụng bộ chuyển đổi dùng IGBT xử lý sự cố bằng cách dựa vào mạng xoay chiều để ngừng hoạt động của các bộ chuyển đổi. Để loại bỏ một sự cố trên một đường dây DC, một máy cắt AC loại nhanh có thể ngắt dòng điện trong vòng dưới 1/10 giây. Nghe thì có vẻ nhanh nhưng đó chỉ là một bước nhỏ trong quá trình khởi động lại đường dây. Hệ thống phải đợi nửa giây để đóng máy cắt AC lại sau khi sự cố được loại bỏ, theo Rytoft (ABB), để khởi động lại các bộ chuyển đổi. Và các bộ chuyển đổi có thể tốn đến 2 giây để trở lại mức hoạt động cực đại, ông nói. Mặc dù cơ chế này hoạt động tốt khi các đường dây DC chuyển tải vài trăm megawatt, còn với một đường dây cỡ như Hành lang A thì lượng điện nó đổ vào lưới điện AC chẳng khác nào một cơn sóng thần. Khi bộ chuyển đổi HVDC bị ngắt, nó sẽ chẳng giúp gì được cho lưới điện AC trong việc xử lý sự xáo trộn này.
Giải pháp trực tiếp nhất là thiết kế lại các mô-đun con trong bộ chuyển đổi AC-DC để chúng hoạt động như các máy cắt. Một sửa đổi trong thiết kế có thể dùng được và đã được ứng dụng trong các thiết bị DC công suất thấp là tăng gấp đôi số lượng các IGBT để có một “mô-đun con toàn cầu” (full-bridge submodule) (*). Hai IGBT mới thêm vào trong mạch full-bridge sẽ làm cho mạch điện linh hoạt hơn, cho phép nó kết nối tụ điện theo một cách khác để giải quyết sự cố. Trong hoạt động bình thường, tụ điện về cơ bản hoạt động như một bộ đệm năng lượng ngắn hạn. Nhưng trong trường hợp có sự cố trên đường dây DC, hai công tắc bổ mới thêm vào của mạch full-bridge có thể cấu hình lại mạch điện sao cho điện áp trên tụ điện, và cũng là trên mô-đun con, ngược dấu với điện áp trên đường dây DC, và như vậy sẽ không có dòng điện chạy trong mạch.
Vào tháng 2, Alstom, công ty cung cấp thiết bị điện của Pháp, giới thiệu một bộ chuyển đổi với các mô-đun con sử dụng mạch full-bridge có khả năng ngắt các dòng DC trên 3000A trong vòng dưới 2.5 phần ngàn giây—nhanh hơn 40 lần so với một máy cắt AC. Hơn nữa bộ chuyển mạch còn không bao giờ tắt, nhờ vậy nó có thể ổn định đường dây DC và luôn sẵn sàng cung cấp dòng DC ở mức công suất tối đa một khi sự cố được xử lý xong.
Nhưng cái giá phải trả cho việc tăng tốc độ này có thể rất đáng kể. Do các mô-đun con kiểu full-bridge sử dụng nhiều gấp đôi số lượng IGBT so với các bộ chuyển đổi dạng mô-đun hiện có, chúng có hiệu năng thấp hơn và hao hụt từ mỗi bộ chuyển đổi có thể lên đến 1.7%. “Đó là một sự đánh đổi giữa hao hụt và độ ổn định của nguồn điện,” như thừa nhận của Thomas Ahndorf, quản lý cấp cao về phân tích hệ thống ở TransnetBW, công ty có trụ sở ở Stuttgart và quản lý mạng lưới truyền tải cho lưới điện ở miền nam nước Đức.
Ahndorf nói ông sẽ chấp nhận điểm yếu về hiệu suất của bộ chuyển đổi full-bridge nếu không có cách nào khác, nhưng có lẽ ông sẽ không phải làm như vậy. Các chuyên gia trong lĩnh vực HVDC đang đua nhau đưa ra những lựa chọn thông minh hơn. Giải pháp của Alstom là giảm hao hụt bằng cách chỉ thay thế một vài mô-đun con, trong bộ chuyển đổi nhiều mức, sử dụng 2 IGBT bằng các mô-đun con full-bridge. Còn vào tháng 11, ABB đã giới thiệu một giải pháp hoàn toàn mới để nâng cao hiệu suất của HVDC: một máy cắt độc lập có thể nối vào đường dây HVDC và được dùng với các bộ chuyển đổi thông thường với 2 IGBT. Nó kết hợp một công tắc cơ học với hai bộ ngắt mạch điện tử. Trong điều kiện hoạt động bình thường, dòng điện chạy qua công tắc cơ và bộ ngắt mạch nhỏ hơn trong hai bộ ngắt mạch điện tử. Khi có sự cố trên hệ thống, bộ ngắt mạch nhỏ hơn chịu đủ áp lực để bắt đầu chuỗi hoạt động ngắt mạch bằng cách đưa điện áp lên cực cổng (gate) của các IGBT để làm tăng điện trở của nó. Điều này sẽ làm cho năng lượng DC, trong một thời gian ngắn, chạy qua bộ ngắt mạch lớn hơn, vốn có đủ IGBT để ngắt dòng điện. Khi việc chuyển hướng dòng điện kết thúc, bộ ngắt mạch cơ được kích hoạt và ngắt đường dẫn mặc định. Sau đó bộ ngắt mạch lớn sẽ ngắt đường dẫn thay thế, cắt dòng điện DC. Theo Rytoft, ABB, toàn bộ việc này mất ít hơn 5 phần ngàn giây—nhanh hơn nhiều so với một cái nháy mắt. Và theo Rytoft, vận hành các mạch ngắt điện lớn hơn chỉ vào lúc xảy ra sự cố sẽ loại bỏ được nhược điểm về hiệu suất.

Nâng cao công suất: Các bộ chuyển đổi nhiều mức dạng mô-đun sử dụng IGBT của Siemens, có mặt trên thị trường năm 2010, chứa hàng trăm bộ chuyển đổi nhỏ, hay còn gọi là mô-đun con. Thiết kế này đẩy công suất tổng cộng của bộ chyển đổi từ vài trăm megawatt lên 1000 megawatt hay hơn nữa—mức công suất mà các công ty truyền tải điện của Đức đang tìm kiếm.
Siemens, một công ty lớn trong lĩnh vực kỹ thuật điện, trong khi đó, hợp tác nghiên cứu một kỹ thuật thứ ba với Rainer Marquardt, là người đứng đầu lĩnh vực điện tử công suất và điều khiển ở Đại học Quốc phòng Liên bang (University of Federal Defense) ở Munich, và là người phát minh ra bộ chuyển đổi nhiều mức dạng mô-đun. Mô hình của Marquardt là nối hai mô-đun con mà ông đã phát minh cho các bộ chuyển đổi VSC của Siemens với một IGBT thứ năm. Kiểu “mô-đun con trong mô-đun con” này có thể cấu hình lại các tụ điện để ngừng dòng DC, tương tự như mô-đun full-bridge. Nhưng do nó chỉ có 3 trong 5 IGBT dẫn điện ở mỗi thời điểm nên tổn hao công suất của nó thấp hơn tổn hao công suất của bộ chuyển đổi full-bridge khoảng 1/3. Giải pháp này có thể rẻ hơn đáng kể so với cách dùng máy cắt độc lập của ABB do nó có thể hoạt động như cả bộ chuyển đổi và máy cắt. Marquardt ước tính rằng lắp đặt một máy cắt độc lập như của ABB kế bên mỗi bộ chuyển đổi trên một đường dây HVDC có thể làm tăng chi phí thiết bị lên đến 50%, trong khi đó thiết kế của ông có thể có giá thành và kích cỡ tương đương với các bộ chuyển đổi VSC ngày nay.
Tất cả các công ty tham gia cải tiến HVDC đều sẵn sàng đẩy nhanh tiến độ. Alstom dự định thử nghiệm thiết kế của mình với dòng điện cao hơn trong vài tháng tới. Siemens thì chưa tiết lộ kế hoạch đối với thiết kế của Marquardt, nhưng Marquardt nói rằng không hề có khó khăn nào trong việc đưa thiết kế này vào thực tiễn, bởi vì mô-đun mới của ông về cơ bản chỉ là một bản thay thế cho các mô đun mà Siemens đã bán. Còn ABB thì đang tìm kiếm đối tác cung cấp dịch vụ để thử nghiệm hệ thống của mình. ABB dự định rằng hệ thống của mình sẽ sẵn sàng cho ứng dụng thương mại đầu tiên vào năm 2017.
Lộ trình này có thể vừa kịp cho Hành lang A, lúc này đã bước vào giai đoạn lấy ý kiến công chúng và được dự tính là sẽ bắt đầu tải điện vào năm 2017. Ahndorf, làm việc cho TransnetBW, nói rằng tuyến truyền tải này có một kế hoạch xây dựng rất khó thực thi, nhưng giữ đúng tiến độ xây dựng là rất quan trọng nếu muốn tất cả các phần mở rộng cho lưới điện được xây dựng xong vào năm 2022. “Chúng ta phải học. Chúng ta không có nhiều thời gian,” ông nói.
Những người tham gia cải tiến HVDC đã và đang hướng đến điều mà họ cho là kết cục tự nhiên của công nghệ: các mạng lưới HVDC với khả năng tối ưu hoá dòng điện chạy qua các nước và các lục địa. “Hầu hết các chuyên gia trong lĩnh vực này từ lâu đã nói rằng họ rất hoài nghi liệu điều này có thể trở thành hiện thực được hay không,” Marquardt nói. Bây giờ thì họ có nhiều tự tin hơn, ông nói, do các siêu lưới điện như vậy rất có thể phải cần đến các bộ chuyển đổi hiện đại và các máy cắt độc lập, những thiết bị mà các công ty vận hành lưới điện của Đức đang giúp phát triển. Những người ủng hộ siêu lưới điện nói rằng sự cần thiết của các lưới điện HVDC là đã rõ rành rành do sự gia tăng không thể kiểm soát nổi của việc truyền tải xuyên biên giới trên các lưới điện AC. Cộng hoà Séc đang lắp đặt các biến áp điều pha ở biên giới với Đức để năng lượng tái tạo của nước láng giềng không chạy qua lưới điện của Séc, vốn đã hoạt động ở mức cực hạn. Những dòng năng lượng không kiểm soát như vậy đang lớn mạnh một cách đáng kể trên toàn lục địa Châu Âu, theo Sébastien Lepy, đứng đầu các nghiên cứu về phát triển lưới điện cho RTE, công ty vận hành lưới điện của Pháp, vốn cũng muốn có nhiều đường dây HVDC ở trung tâm của lưới điện.
Về cơ bản, một siêu lưới điện cho toàn Châu Âu sẽ giúp cho việc phối hợp nhiều nguồn năng lượng tái tạo ở khắp nơi, và nó có thể sẽ rẻ hơn so với việc chắp vá lại từng lưới điện của mỗi quốc gia. Các mô hình lưới điện cỡ lớn đã được nghiên cứu một cách nghiêm túc. Ví dụ như một dự án 3 năm có tên E-Highway 2050 đang vẽ ra một mô hình dạng mô-đun để kết nối các đường dây HVDC như Hành lang A để hình thành một siêu lưới điện Châu Âu. Còn Uỷ ban phụ trách các công nghệ Điện, Điện Tử, và Thông tin của Đức thì đang soạn thảo các tiêu chuẩn kỹ thuật cho các lưới điện HVDC.
Tuy nhiên một vài công ty vận hành lưới điện không mấy tin tưởng rằng các siêu lưới điện là một yêu cầu cấp thiết. “Truyền điện giữa hai nơi là một kết quả rất tốt rồi. Bạn chưa cần một lưới điện DC,” theo Ahndorf, thành viên của tiểu ban làm việc về lưới điện HVDC của uỷ ban kỹ thuật điện của Đức. Ông nói rằng các lợi ích vẫn chưa rõ ràng. Cho đến lúc này, những người hoạch định kế hoạch truyền tải của Đức vẫn chỉ cố gắng để sao cho những đường dây HVDC đầu tiên được xây dựng. Họ hoàn toàn biết rằng thời gian đang trôi qua rất nhanh. Kế hoạch sẽ phải được chấp thuận, cấp kinh phí, rồi sau đó xây dựng, từng đường dây một. Việc thương thảo với những người phản đối kế hoạch có thể làm chậm trễ hàng năm trời cho mỗi đường dây.
Và cái giá phải trả cho điều này khá là chát. Các ước tính thực hiện bởi Agora Energiewende, tổ chức nghiên cứu chính sách có trụ sở ở Berlin, cho thấy các nhà phát triển có thể tăng khả năng sản xuất điện của các cơ sở sản xuất điện năng tái tạo lên 130 GW vào năm 2022 từ mức khoảng 75 GW đã được lắp đặt cho đến cuối năm vừa qua. Nếu không có cách truyền tải lượng điện năng đó đến nơi cần dùng thì chiến thắng của phong trào năng lượng xanh là hoàn toàn vô nghĩa.
Tác giả:
Biên tập viên Peter Fairley, làm việc ở Paris, đã đến Stuttgart vào tháng 11 vừa qua để tường thuật về kế hoạch HVDC đầy tham vọng của Đức. Ông nói thời tiết lúc đó rất lạnh giá và rất tối và điều đó làm “sáng tỏ như băng” rằng sự bùng nổ của năng lượng mặt trời sẽ không thể bù đắp được cho việc đóng cửa các nhà máy điện hạt nhân trong vùng—ít nhất là không thể làm được cho mọi ngày trong năm. “Cải thiện hệ thống lưới điện sẽ giúp toàn bộ nước Đức vận hành bình thường,” ông nói.
Chú thích của người dịch:
(*) Cả hai thuật ngữ “full-bridge” và “full-wave” đều được dùng để chỉ mạch chỉnh lưu toàn chu kỳ trong đó thuật ngữ đầu tiên mô tả cấu trúc mạch còn thuật ngữ thứ hai mô tả hình dạng sóng.Trong tiếng Việt, thuật ngữ thường dùng là “toàn chu kỳ” hay “hai nữa chu kỳ” thì sát nghĩa với “full-wave”. Tuy nhiên, trong nguyên bản tiếng Anh của bài báo này tác giả chỉ dùng “full-bridge”, nếu dịch sang tiếng Việt là “toàn cầu” thì có vẻ hơi gượng ép và không quen thuộc. Do đó thuật ngữ tiếng Anh “full-bridge” được dùng trong cả bản dịch để tôn trọng ý của bản gốc.
- Nguyên bản tiếng Anh: “Germany Takes the Lead in HVDC,” Peter Fairley, IEEE Spectrum, April 2010.
- Người dịch: Tạ Minh Chiến
- Biên tập: Phạm Duy Đông